Esquemas de instalación de puntos de recarga para vehículos eléctricos
A continuación, detallamos los esquemas de instalación de punto de recarga que pueden utilizarse para puntos de recarga según la ITC BT 52.
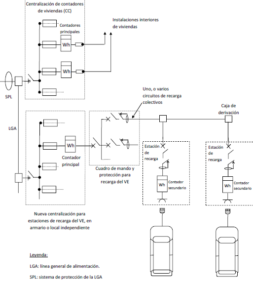
Las instalaciones nuevas para la alimentación de las estaciones de recarga, así como la modificación de instalaciones ya existentes, que se alimenten de la red de distribución de energía eléctrica, se realizarán según los esquemas de conexión descritos en este apartado. En cualquier caso, antes de la ejecución de la instalación, el instalador o en su caso el proyectista, deben preparar una documentación técnica en la forma de memoria técnica de diseño o de proyecto, según proceda en aplicación de la (ITC) BT-04, en la que se indique el esquema de conexión a utilizar. Los posibles esquemas serán los siguientes
Esquema colectivo o troncal con un contador principal en el origen de la instalación. Un contador de compañía para suministrar el resto de puntos de recarga.
Esquema individual con un contador común para la vivienda y la estación de recarga. Mismo contador de compañía tanto para la vivienda como para el punto de recarga.
Esquema individual con un contador para cada estación de recarga. Nuevo suministro para cada punto de recarga.
Esquema con circuito o circuitos adicionales para la recarga del VEHÍCULO ELÉCTRICO. Instalaciones para empresas o viviendas que ya dispongan de un cuadro general.
Esquema 4b: instalación con circuito o circuitos adicionales para la recarga del VEHÍCULO ELÉCTRICO.